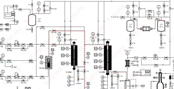
循環加氫催化評價裝置適用于氣體物料進行高溫、高壓反應。原料氣體由工藝路線進行處理計量后進入反應器催化劑床層,在一定反應條件下,連續進行催化反應,反應爐可程序升溫,恒溫控制切換使用,反應后的產物進入氣液分離罐分離,液體產物收集后進行離線分析。包括原料氣體流路,原料液體流路,吹掃氣體流路,固定床金屬反應器,多功能控溫反應系統,分離罐,以及取樣,分析系統等,主要用于催化劑評價,催化動力學研究,石油煤化工材料研究,化工材料合成工藝研究等領域。原料氣、液分別由各自工藝路線進入混合器,充分混合然后進入反應器催化劑床層,在一定反應條件下,連續進行催化反應,反應爐可程序升溫,恒溫控制切換使用,反應后的產物進入氣液分離罐分離,氣體產物可在線取樣分析,液體產物收集后進行離線分析。
循環加氫催化評價裝置由電腦控制。
循環加氫催化評價裝置技術參數:
1:反應器使用溫度:室溫-500℃
預熱器使用溫度:室溫-400℃
2:反應壓力:常壓-10MPa
3:反應器催化劑裝填量:50ml
4:氣相進料流量:1000ml/min
6:使用電壓:220V
7:裝置總功率:2KW
8:使用環境溫度:0-45℃

循環加氫催化評價裝置能完成航煤、輕柴油加氫試驗、合成油加氫催化。 能夠實現溫度、壓力、流量、液位自動控制。 反應溫度能夠實現程控升溫。 實現尾氣自動計量。 所有溫度控制點均配有超溫報警,自動聯鎖保護。能夠實現數據處理自動化,自動化生成報表。
世紀森朗,加氫反應釜,加氫催化反應裝置,循環加氫催化評價裝置。