北京世紀森朗設計生產的UC多功能氣固相催化反應裝置,實現對丙烯脫氧催化劑、丙烯臨氫脫氧催化劑反應性能評價,使用氣固相催化反應裝置對催化劑考察是常用的方法之一。該氣固相催化反應裝置可以模擬廠區工況下的環境條件(溫度、壓力、進料組成等), 通過實驗室級性能評價裝置研究反應過程中發生的現象以及催化劑的脫氧性能,對廠區真實工況下催化劑的反應性能有較大程度指導意義,為后期的廠區放大實驗提供重要的基礎數據。可為材料測試和實驗提供精確的溫度、壓力、氣體濃度可調的實驗環境,具有分離單元、壓力控制單元和在線分析取樣單元。同時作為科研系統,氣固相催化反應裝置,設有智能儀表模塊。AI 智能儀表模塊采用單體式控制,各模塊之間干擾小,具有更高穩定性。控制系統采用標準組態軟件包,符合國際同類裝置的標準,應采用中文顯示,操作門檻低,學習簡單方便。

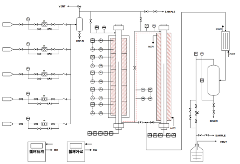
多功能氣固相催化反應裝置整體分為氣體進料單元、催化反應單元、冷凝分離單元、在線分析取樣單元,可以完成一定壓力、溫度條件下的脫氧性能測試,以及開展脫氧機理、脫氧動力學研究。系統可對催化劑脫氧效果進行性能進行綜合性能評價,可開展脫氧催化劑快篩、脫氧催化劑機理研究、脫氧催化劑動力學研究等;
1. 氣體管路、閥門和接頭等需采用抗腐蝕耐壓的材料;
2. 系統能夠自動實現氣路的切換和吹掃;
3. 系統能夠自動進行壓力檢測,并提醒工作人員進行換氣操作;
4. 提供抗腐蝕耐壓的密閉實驗艙;
5. 系統可通入5種以上不同濃度的標準氣體。
多功能氣固相催化反應裝置,由 O2、丙烯、H2和/或其他物料組成,由質量流量控制器計量,三者經過配比混合后得到一定 O2、丙烯、H2濃度濕度的模擬氣,再進入催化劑中進行脫氧反應,催化劑提前定量配置在固定床反應器中。可以通過加熱完成催化劑的再生。O2由質量流量控制器計量,可以經過汽化器預熱至一定溫度后進入固定床反應器;裝置整體流程由氣體進料單元、水蒸氣進料單元、保溫單元、冷凝分離單元及在線分析取樣單元組成。